Retro AG
Bernardastrasse 20 5442 Fislisbach, Switzerland
+41564934003 info@retro.ch CHE-107.943.541 MWST 1978-06-01 Switzerland, Liechtenstein Retro AG, Bernardastrasse 20, 5442 Fislisbach
XYZ Machine Tools
Retro AG 1900kg

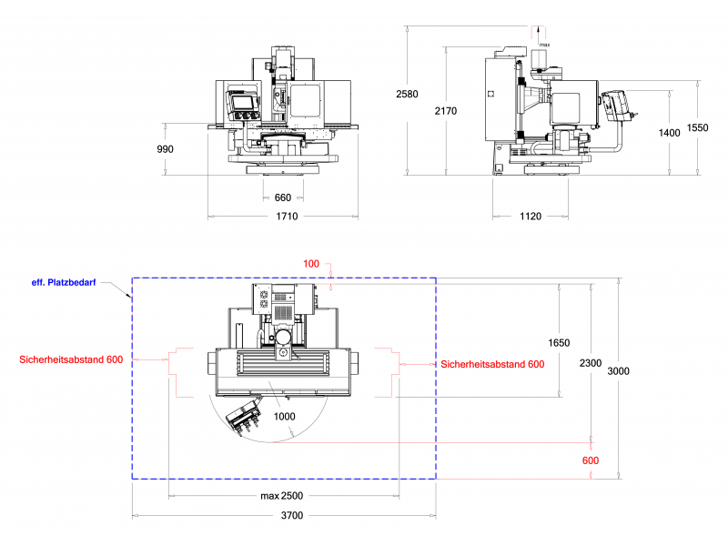
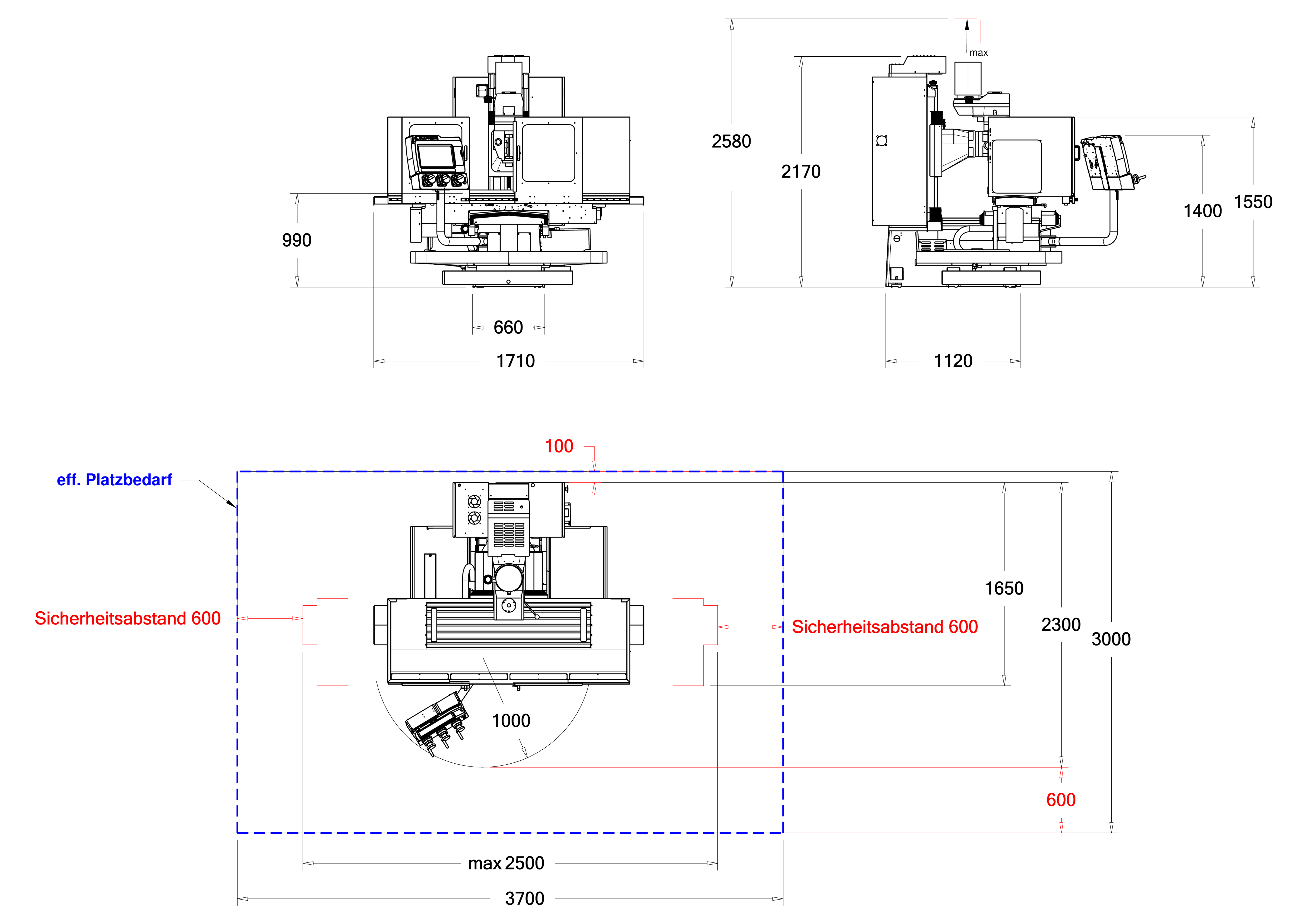
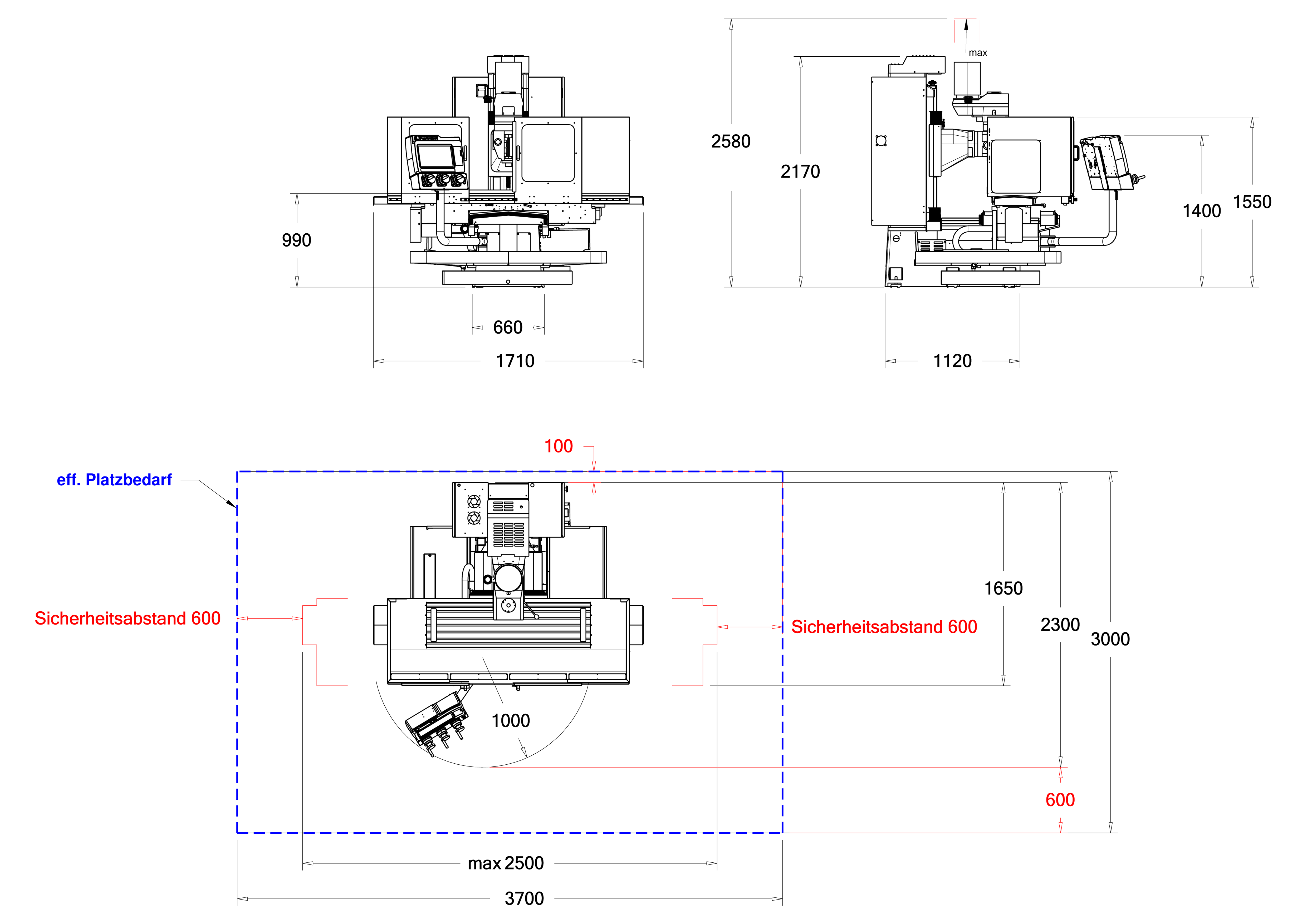
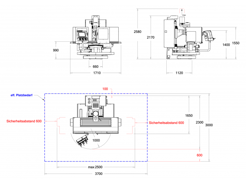
RETROMILL RMX 750 Bett Bohr und Fräsmaschine

RETROMILL RMX 750  Bett Bohr und Fräsmaschine

Standard-Ausrüstung

  • ProtoTRAK RMX Touch Screen Steuerung
  • Manuell oder 2 & 3 Achsen Zyklus  Programmierung 
  • 4 Achsen Digitalanzeige (Pinole & Fräskopf gekoppelt)
  • Elektronische Handräder, Manuelle Bearbeitung
  • Programmablauf Handbetrieb (Einzelsatz) TRAKing®
  • Präzisionskugelspindeln geschliffen
  • Programmierbare Spindeldrehzahl
  • 2 Stufengetriebe
  • Späne Wanne
  • Automatische Zentralschmierung
  • LED-Arbeitsleuchte
  • Kühlmittelpumpe
  • Gebrauchsanweisung
  • Tischschutz mit Sicherheitsschalter
  • Programmieranleitung
  • zum Blätterkatalog Retromill RMX/Retroturn RLX
Artikel-Nr.: 006001
Preis: CHF  65'000.00
+
Artikel wurde(n) in den Warenkorb gelegt
Technische DatenOptionenSteuerungZubehörVideosDownloads
 RETROMILL RMX 750 Bett Bohr und FräsmaschineRETROMILL RMX 1000 Bett Bohr und FräsmaschineRETROMILL RMX 1000 H Bett Bohr und FräsmaschineRETROMILL RMX 1300 Bett Bohr und FräsmaschineRETROMILL RMX 1300 H Bett Bohr und FräsmaschineRETROMILL RMX 1500 Bett Bohr und Fräsmaschine
Fahrweg X-Achse 750 mm 1010 mm 1010 mm 1310 mm 1310 mm 1500 mm
Fahrweg Y-Achse 400 mm 430 mm (480 mm)1 430 mm (480 mm)1 430 mm (480 mm)1 430 mm (480 mm)1 600 mm
Fahrweg Z-Achse 610 mm 600 mm 750 mm 600 mm 750 mm 750 mm
Fahrweg Pinole 125 mm 125 mm 125 mm 125 mm 125 mm 125 mm
Tischgrösse (L×B) 1270 × 320 mm 1270 x 400 mm 1270 x 400 mm 1500 x 400 mm 1500 x 400 mm 1700 x 470 mm
Abstand Spindelmitte / Z-Führungsbahn 480 mm 525 mm 525 mm 525 mm 525 mm 650 mm
Abstand Spindelnase / Tisch 600 mm 0-600 mm 50-850 mm 0-600 mm 50-850 mm 850 mm
Abstand Tischmitte / Z-Führungsbahn 395 mm 445 mm 445 mm 445 mm 445 mm 550 mm
Tischbelastung max. 600 kg 800 kg 800 kg 800 kg 800 kg 800 kg
Maschinentisch-Höhe 990 mm 850 mm 850 mm 850 mm 850 mm 860 mm
T-Nuten Anzahl / Breite 4 / 16 mm 5 / 16 mm 5 / 16 mm 5 / 16 mm 5 / 16 mm 6 / 16 mm
T-Nuten Abstand 63 mm 63 mm 63 mm 63 mm 63 mm 63 mm
Fräskopf schwenkbar links / rechts 45° 45° 45° 45° 45° 45°
Pinolen Durchmesser 100 mm 100 mm 100 mm 100 mm 100 mm 100 mm
Pinolen Vorschübe mechanisch, 0.04, 0.08, 0.15 mm/U 0.04, 0.08, 0.15 mm/U 0.04, 0.08, 0.15 mm/U 0.04, 0.08, 0.15 mm/U 0.04, 0.08, 0.15 mm/U 0.04, 0.08, 0.15 mm/U
Spindelantrieb 5.5 kW 5.5 kW 5.5 kW 5.5 kW 5.5 kW 5.5 kW
Spindel-Drehzahl 40 - 5000 U/min 40 - 5000 U/min 40 - 5000 U/min 40 - 5000 U/min 40 - 5000 U/min 40 - 5000 U/min
Spindel-Konus SK40 SK40 SK40 SK40 SK40 SK40
Drehzahlbereich 2 Stufen 40-600 ; 300-5000 U/min. 2 Stufen 40-600 ; 300-5000 U/min. 2 Stufen 40-600 ; 300-5000 U/min. 2 Stufen 40-600 / 300-5000 U/min. 2 Stufen 40-600 / 300-5000 U/min. 2 Stufen 40-600 / 300-5000 U/min.
Eilgang / Vorschub X,Y 1-10'000 mm/min 1-10'000 mm/min 1-10'000 mm/min 1-10'000 mm/min 1-10'000 mm/min 1-10'000 mm/min
Eilgang / Vorschub Z 1- 6'000 mm/min 1- 6'000 mm/min 1- 6'000 mm/min 1- 6'000 mm/min 1- 6'000 mm/min 1- 6'000 mm/min
Kugelgewindespindeln X,Y, Z 32 x 5 vorgespannt X ,Y, Z 32 x 5 vorgespannt X ,Y, Z 32 x 5 vorgespannt 32 x 5 Vorgespannt 32 x 5 Vorgespannt 32 x 5 Vorgespannt
AC Servo-Motoren Grösse .75 kW 1kW 1kW 1kW 1kW 2kW
Zentralschmierung 2 Liter Automatisch 2 Liter Automatisch 2 Liter Automatisch 2 Liter Automatisch 2 Liter Automatisch 2 Liter Automatisch
Führungsbahn Typ Gehärtet, geschliffen Gehärtet, geschliffen Gehärtet, geschliffen Gehärtet, geschliffen Gehärtet, geschliffen Gehärtet, geschliffen
Kühlmittelpumpe 0.09 kW 0.09 kW 0.09 kW 0.09 kW 0.09 kW 0.37 kW
Kühlmitteltank Füllmenge 60 liter 60 liter 60 liter 60 liter 60 liter 70 liter
Abmessung L×T×H 1710 x 1650 x 2170 mm 2250 x 2000 x 2100 mm 2250 x 2000 x 2400 mm 2500 x 2000 x 2100 mm 2500 x 2000 x 2400 mm 2700 x 2000 x 2400 mm
Platzbedarf mit Fahrweg L×T×H 2500 x 2300 x 2580 mm 3250 x 2600 x 2450 mm 3250 x 2600 x 2750 mm 3800 x 2600 x 2450 mm 3800 x 2600 x 2750 mm 4000 x 2600 x 2750 mm
Maschinengewicht 1900 kg 2200 kg 2200 kg 2500 kg 2500 kg 3200 kg.
Elektrische Anschlussleistung 32 A 400V 32 A 400V 32 A 400V 32 A 400V 32 A 400V 32 A 400V
Pressluft Anschluss 6 bar (220 L/min) 6 bar (220 L/min) 6 bar (220 L/min) 6 bar (220 L/min) 6 bar (220 L/min) 6 bar (220 L/min)
1 480 mm Fahrweg mit hinterer Y-Führungsabdeckung aus Kunststoff